空降24小时上门_全国高端商务接待私人预约_全国空降可约_全国同城空降快餐

星光真空设备-专业生产LG螺杆真空泵、钛材螺杆真空泵、哈氏合金螺杆真空泵、耐腐蚀真空泵、耐腐蚀真空设备等

当前页:首页 >> 产品中心 - HG、2H滑阀真空泵系列

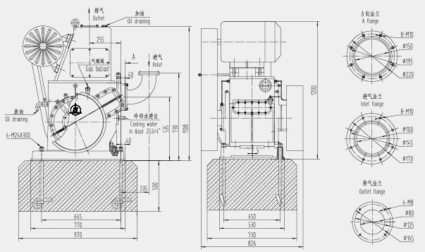
HG、2H滑阀真空泵 / HGL-150

产品参数


返 回
联系我们

订购我们产品,请致电:

0576-88653588,88652002

销售及服务

我们的真空泵产品远销国内外!公司全力以赴为客户提供最优的服务,在客户集中的区域设立售后服务办事处。我们郑重承诺:如产品自身缺陷或存在质量问题,省内及周边地区用户24小时内到达,省外用户48小时内到达。

浙公网安备 33100202000368号

主站蜘蛛池模板: 响水县| 大同县| 鄂伦春自治旗| 临沂市| 始兴县| 武夷山市| 龙胜| 长兴县| 房产| 日照市| 右玉县| 鄄城县| 梁河县| 英吉沙县| 瑞金市| 剑川县| 松溪县| 谷城县| 阿克陶县| 夹江县| 金阳县| 合作市| 庄浪县| 芒康县| 扶余县| 莎车县| 博白县| 双江| 松溪县| 德昌县| 尚志市| 南溪县| 遵化市| 神农架林区| 桂平市| 玛纳斯县| 策勒县| 白朗县| 贵溪市| 大关县| 阜城县|